您好,歡迎您訪問 無錫恒日精自動化設備有限公司 的官方網站!
銷售服務熱線: 0510-83592636 83592639
products
中央生產站
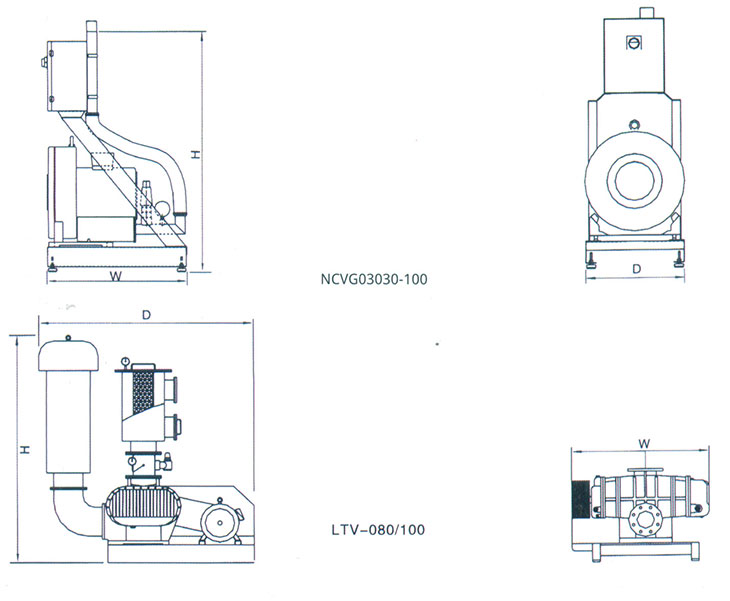
在中央供料系統中,中央真空產生器提供原料輸送時所需要的真空(負壓)動力。該機臺采用高壓風機或魯氏風機為動力核心,具有不易損壞、功率大、使用壽命長等優點,可確保連續性輸送供料作業。此外,該系列提供15HP等十種功率的機型來滿足不同的系統應用。在系統運行過程中,風機的啟動由中央操作站控制,并搭配歐化中央真空料斗、中央過濾器 等設備配合應用,達成自動化原料輸送的目的。
規格表
機型 |
功率(w) |
電壓 |
外取尺寸.(mm) HxWxD |
吸風管徑(mm) |
重量(kg) |
NCVG-030-SS |
3HP |
3φ/400V |
650x420x1110 |
φ50.8 |
60 |
NCVG-030-DS |
650x495x1110 |
||||
NCVG-050-SS |
5HP |
3φ/400V |
650x420x1110 |
φ50.8 |
64 |
NCVG-050-DS |
650x680x1110 |
||||
NCVG-075-SS |
7.5HP |
3φ/400V |
700x460x1220 |
φ63.5 |
105 |
NCVG-075-DS |
700x513x1220 |
||||
NCVG-100-SS |
10HP |
3φ/400V |
700x460x1220 |
φ63.5 |
108 |
NCVG-100-DS |
700x690x1220 |
||||
LTV-080 |
10HP |
3φ/400V |
1292x690x1310 |
φ63 |
374 |
LTV-100 |
15HP |
3φ/400V |
1553x785x1335 |
φ73 |
442 |
備注:1.以上機型搭配瑞詠單/雙段風機; 2."S"表示風機為單段風機; 3."D"表示風機為雙段風機; 4.LTV-080/100搭配魯式風機。
外形尺寸圖

Copyright ? 2024 無錫恒日精自動化設備有限公司 All Rights Reserved.未經授權禁止任何方式的復制、抄襲、轉載等。
蘇公網安備 32020602000618號蘇ICP備11022523號-1